1x9 622M 双纤双向光收发模块系列
发布时间:2025-07-10 15:03:04
发布者:2138cn太阳集团城科技
浏览次数:135
产品特性
1x9管脚封装
单路双纤双向,SC/FC/ST可选光接口
支持622Mbps速率传输
多模模块传输距离500m
单模模块传输距离10km~120km可选
单+3.3V电源供电
信号输入/输出CML电平,SD信号检测LVTTL电平输出
极低的电磁干扰和优良的ESD保护
全国产化方案
产品等级:
军品工业级(J):-40°C/-45°C~+85°C
军品扩展工业级(M):-55°C~+85°C
产品应用
以太网光纤通道
其他光学链接
执行标准
符合I类激光安全标准IEC-60825
ROHS 2.0
订购信息
| DTACN44-RR*注2D*注11 | 622Mbps | 850nm | 500m | 多模 | ST/FC/SC/ 可选 | J/M |
| DTACN45-RR*注2F*注11 | 622Mbps | 1310nm | 2km | 多模 | ST/FC/SC/ 可选 | J/M |
| DTACN45-RR*注2L*注11 | 622Mbps | 1310nm | 10Km | 单模 | ST/FC/SC/ 可选 | J/M |
| DTACN45-RR*注2G*注11 | 622Mbps | 1310nm | 20Km | 单模 | ST/FC/SC/ 可选 | J/M |
| DTACN45-RR*注2E*注11 | 622Mbps | 1310nm | 40Km | 单模 | ST/FC/SC/ 可选 | J/M |
| DTACN46-RR*注2E*注11 | 622Mbps | 1550nm | 40Km | 单模 | ST/FC/SC/ 可选 | J/M |
| DTACN46-RR*注2Z*注11 | 622Mbps | 1550nm | 80Km | 单模 | ST/FC/SC/ 可选 | J/M |
| DTACN46-RR*注2Q*注11 | 622Mbps | 1550nm | 120Km | 单模 | ST/FC/SC/ 可选 | J/M |
注1:外壳温度,“*”=J表示模块工作温度为-40°C/-45°C~85°C,“*”=M表示模块工作温度为-55°C~85°C。
注2:“*”=S表示SC插拔光接口,“*”=F表示FC插拔光接口,“*”=T表示ST插拔光接口。
管脚定义

| 引脚 | 符号 | 描述 | 备注 |
| 1 | Rx GND | 接收地 | -- |
| 2 | Rx+ | 接收部分正向数据输出(CML,内部 AC 耦合) | -- |
| 3 | Rx- | 接收部分反向数据输出(CML,内部 AC 耦合) | -- |
| 4 | SD | 接收信号检测(LVTTL),信号正常输出高电平 | 1 |
| 5 | Rx Vcc | 接收电源 | -- |
| 6 | Tx Vcc | 发射电源 | -- |
| 7 | Tx- | 发射部分反向数据输入(CML,内部 AC 耦合) | -- |
| 8 | Tx+ | 发射部分正向数据输入(CML,内部 AC 耦合) | -- |
| 9 | Tx GND | 发射地 | -- |
备注1:该引脚主机板上上拉10KΩ电阻至VCCT
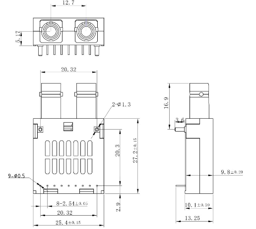
模板尺寸

SC 接口封装尺寸

FC接口封装尺寸
![]()
ST接口封装尺寸





